图片
更多
导航菜单
更多
网站首页
公司概况
产品展示
新闻中心
应用实例
技术支持
资料下载
联系我们
全站搜索
更多
更多
网站标志
更多
当前位置
更多
您现在的位置:
北京科旭仪器有限公司
>
产品展示
产品分类
more
粗糙度仪
传感器
附件
分析软件
校准样板
应用实例
产品包装
里氏硬度仪
产品检索
更多
名称:
主界面
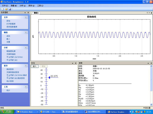
名称:
粗糙度轮廓
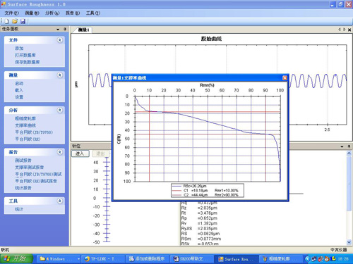
名称:
支承率曲线
名称:
测试报告
共40条 每页6条 页次:7/7
首页
上一页
1
2
3
4
5
6
7
下一页
第1页
第2页
第3页
第4页
第5页
第6页
第7页
尾页
产品搜索
more
请选择分类
传感器
附件
粗糙度仪
分析软件
校准样板
应用实例
产品包装
里氏硬度仪
图片
更多
图片
更多
脚注信息
更多
图片
更多
脚注栏目
更多
关于我们
|
联系方式
|
在线留言
|
人才招聘
|
友情链接
|